Published:2009/7/19 22:09:00 Author:Jessie | From:SeekIC

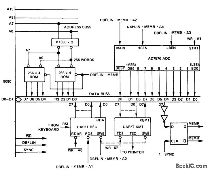
Microprocessor-controlled TTY-to-A/D convener interface. The AD7570 is a 10-bit CMOS A/D convener (courtesy Analog Devices, Inc.).
Reprinted Url Of This Article:
http://www.seekic.com/circuit_diagram/Power_Supply_Circuit/Microprocessor_controlled_TTY_to_A_D_convener_interface.html
Print this Page | Comments | Reading(3)
Code: