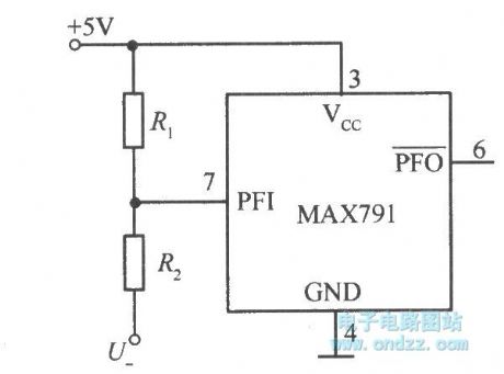
Published:2011/4/1 22:39:00 Author:Nicole | Keyword: anode power supply, monitoring | From:SeekIC

Reprinted Url Of This Article:
http://www.seekic.com/circuit_diagram/Power_Supply_Circuit/Monitoring_anode_power_supply_circiut.html
Print this Page | Comments | Reading(3)
Code: