Published:2011/4/6 1:50:00 Author:Nicole | Keyword: regulated power supply | From:SeekIC

Reprinted Url Of This Article:
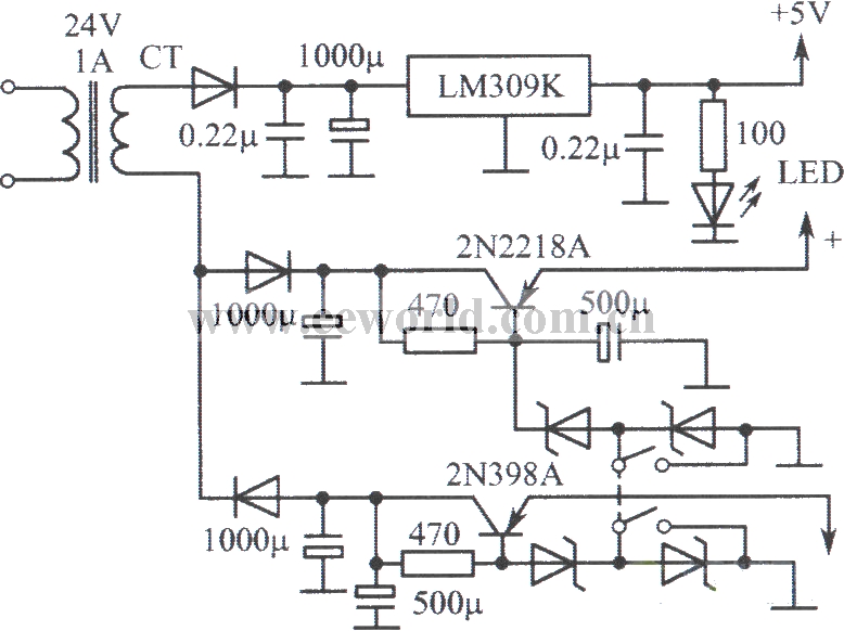
http://www.seekic.com/circuit_diagram/Power_Supply_Circuit/Multi_channel_regulated_power_supply_composed_of_LM309K.html
Print this Page | Comments | Reading(3)
Code: