Published:2011/5/18 10:28:00 Author:Michel | Keyword: Multifunction Charger Five | From:SeekIC

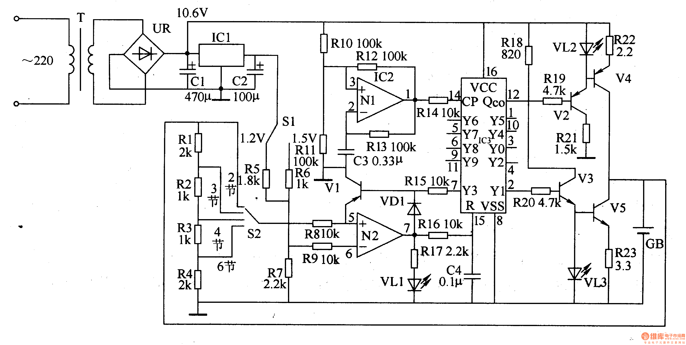
Besides nickel-pick batteries,nickel-hydrogen cells and lithium-ion batteries,the Multifunction charger introduced in the example can also chagres plain alkaline cells and it chagres two to six pieces of batteries at a time.
Ciruit's Work Principle
This multifunction charger consists of voltage regulator circuit,charging circuit and discharge circuit,battery selection or voltage detection circuit and sequential control circuit and is showed as the picture 5-67,The voltage regulator circuit is composed of mains transformer,T,rectifier bridge UR circuit,filter capacitor,C1 and C2 and three-terminal voltage regulation IC,IC1.
Reprinted Url Of This Article:
http://www.seekic.com/circuit_diagram/Power_Supply_Circuit/Multifunction_Charger___Five.html
Print this Page | Comments | Reading(3)
Code: