Published:2011/5/19 8:08:00 Author:Michel | Keyword: Multifunction Charger Four | From:SeekIC

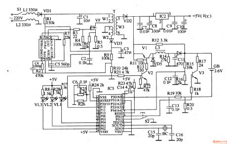
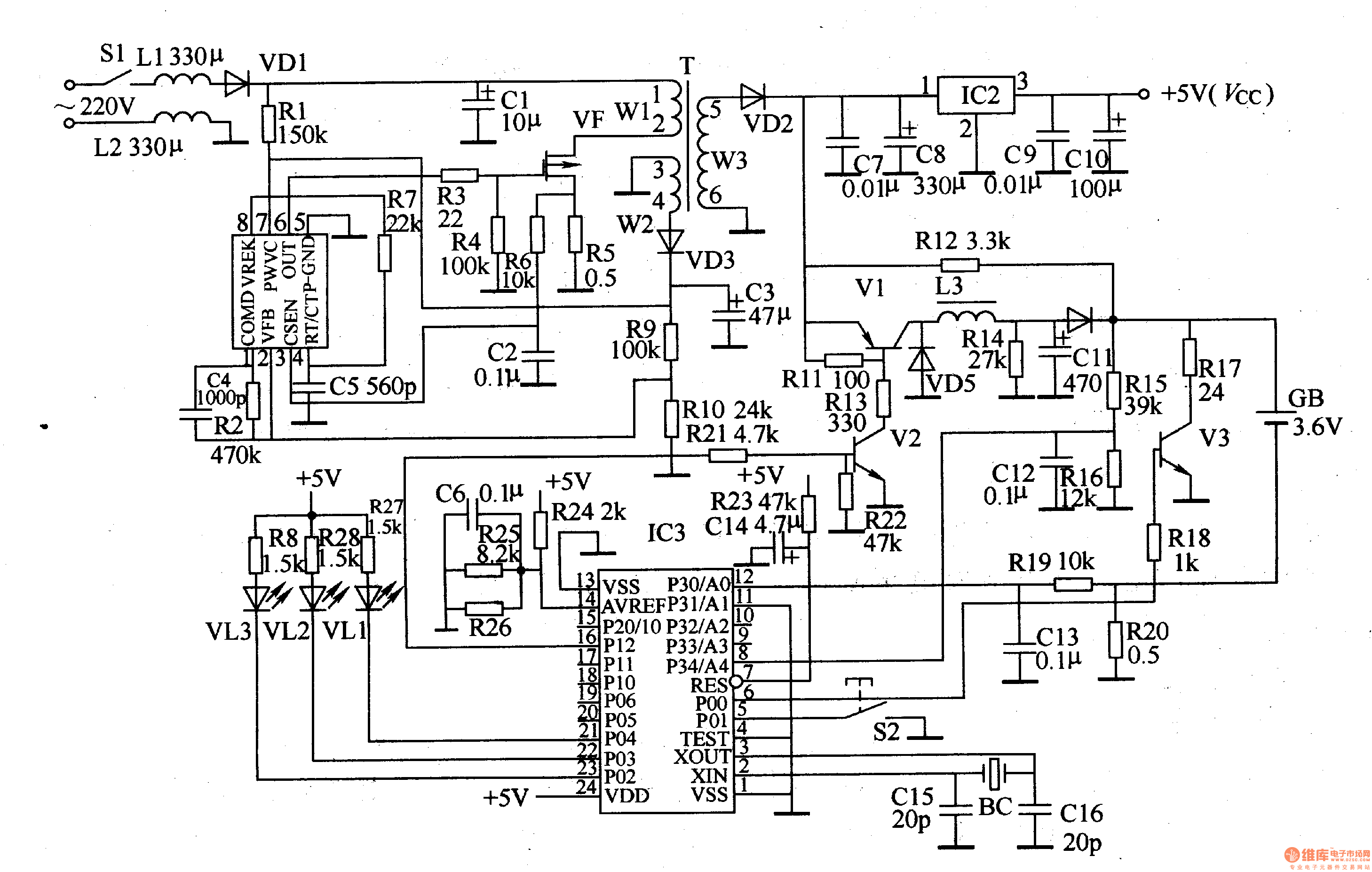
The multifunction charger introduced in the example takes advantage of switching power circuit and microprocessor (singlechip)control circuit with overcurrent and overvoltage protection functions.It can charge nickel-hydrogen and Lithium-ion rechargeable batteries.Circuit's Work PrincipleThis charger is composed of mains switch,S1,switching power circuit,control circuit,charge circuit and discharge circuit and it is showed as the picture 5-66.The switching power circuit consists of switch oscillation IC ,IC1,field effect transistor,VF,induction coil,L1,commutation diode,VD1-VD3,LED,VL1-VL3,control button,S2,quartz tuning folks,BC and surrounding resistor-capacitor unit.
Reprinted Url Of This Article:
http://www.seekic.com/circuit_diagram/Power_Supply_Circuit/Multifunction_Charger____Four.html
Print this Page | Comments | Reading(3)
Code: