Published:2011/5/18 10:39:00 Author:Michel | Keyword: Multifunction Charger Seven | From:SeekIC

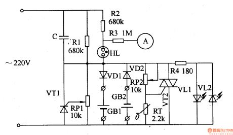
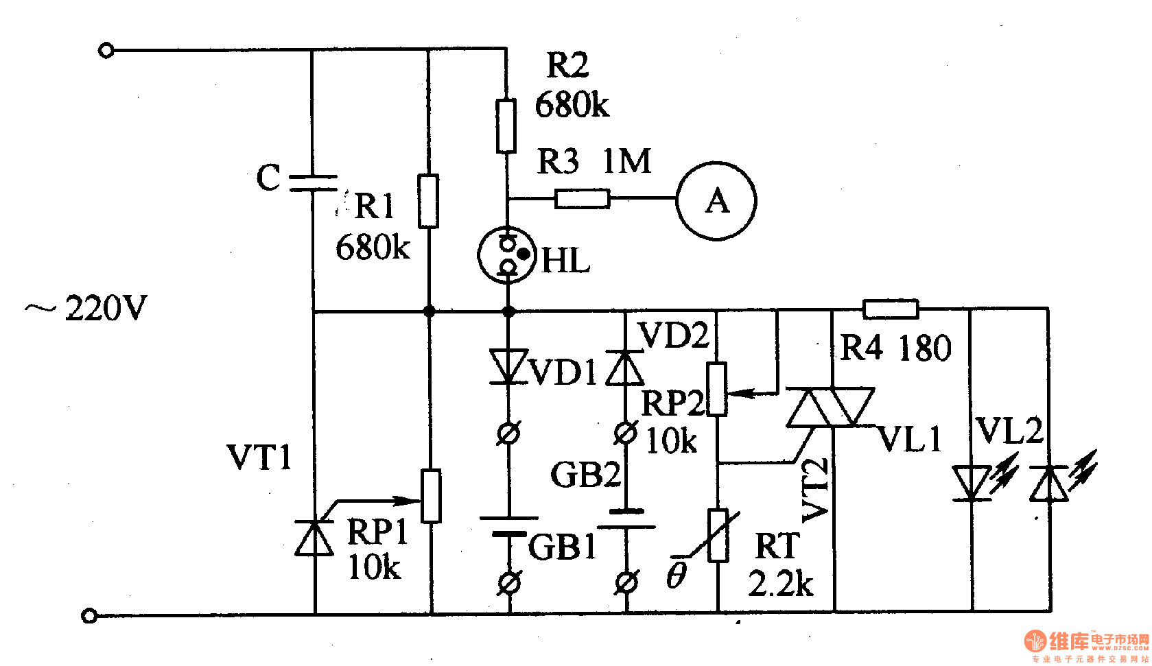
The multifunction charger introduced in the example has the functions of constant current pulse charging,voltage limiting protection,constant and excess temperature protection.It can charge one nickel-spread and nickel-hydrogen battery.
Circuit's Work Principle
This Multifunction charger consists of step-down capacitor,C,thyristor,VT1 and VT2,resistor,R1-R4,diode,VD1,VD2,potentiometer,RP1 and RP2,heat-variable resistor,RT and LED VD1 and VD2 and it's showed as the picture 5-69.The alternating voltage(220V) charges batteries GB1 and GB2 via VD1 and VD2 when it reduces voltage through C.
Reprinted Url Of This Article:
http://www.seekic.com/circuit_diagram/Power_Supply_Circuit/Multifunction__Charger___Seven.html
Print this Page | Comments | Reading(3)
Code: