Published:2009/7/19 20:40:00 Author:Jessie | From:SeekIC

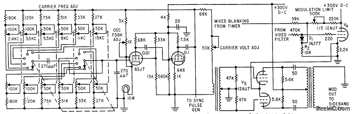
Yields two sidebands and carrier while balancing out original video signal. Gang switch permits use of six different carrier frequencies if sufficient telephone-line band-width is available. Sideband fillers remove upper sideband and part of carrier to provide vestigial sideband operation.-H. W. Gates and A. G. Gatfield, Scan Converter Aids Phone-Line Radar Relay, Electronics, 32:16, p 48-51.
Reprinted Url Of This Article:
http://www.seekic.com/circuit_diagram/Power_Supply_Circuit/NARROW_BAND_BALANCED_MODULATOR.html
Print this Page | Comments | Reading(3)
Code: