Published:2009/7/17 2:48:00 Author:Jessie | From:SeekIC

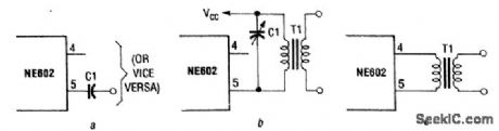
Here are (a) a simplest single-ended approach without impedance matching, (b) a single-ended approach for a tuned LC circuit load, and (c) a balanced approach for better suppression of input and LO signals.
Reprinted Url Of This Article:
http://www.seekic.com/circuit_diagram/Power_Supply_Circuit/NE602_OUTPUT_CONFIGURATIONS.html
Print this Page | Comments | Reading(3)
Code: