Published:2009/6/23 4:00:00 Author:Jessie | From:SeekIC

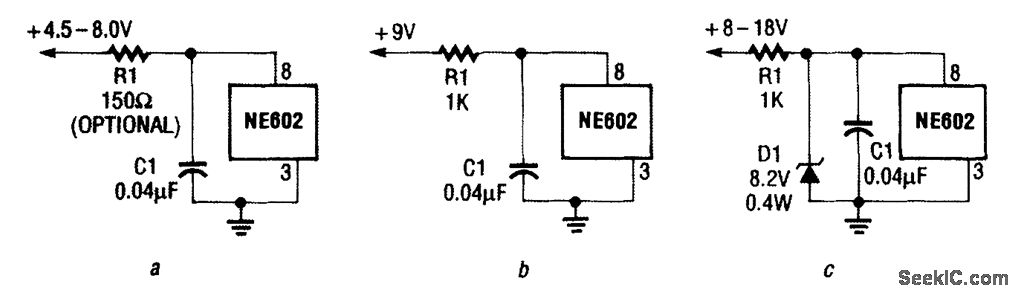
Here, Figs. 68-11A through 68-11C show an RC-filter used as both current limiter (R1) and integrator (C1), as well as for isolation. In Fig. 68-11A, +4.5 to 8.0 Vdc is the normal operating range of the NE602. In Fig. 68-11B, R1 drops voltage, and is used because a +9-V battery can go higher, and a +9-Vwall supply can produce up to 11 V. In Fig. 68-11C, a +8- to 18-Vdc supply is regulated using a 8.2-V Zener for D1.
Reprinted Url Of This Article:
http://www.seekic.com/circuit_diagram/Power_Supply_Circuit/NE6O2_POWER_SUPPLY_OPTIONS.html
Print this Page | Comments | Reading(3)
Code: