Published:2009/7/16 1:47:00 Author:Jessie | From:SeekIC

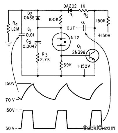
Operates over range of 0.05 to 7,000 cps by adjusting values of C1, C2, and R4. Average supply current drawn is less than 1 ma.-R. D. Ryan, Low-Cost Pulse Generator, Electronics, 35:15, p 70.
Reprinted Url Of This Article:
http://www.seekic.com/circuit_diagram/Power_Supply_Circuit/NEON_TRANSISTOR_RELAXATION.html
Print this Page | Comments | Reading(3)
Code: