Published:2009/7/19 21:23:00 Author:Jessie | From:SeekIC

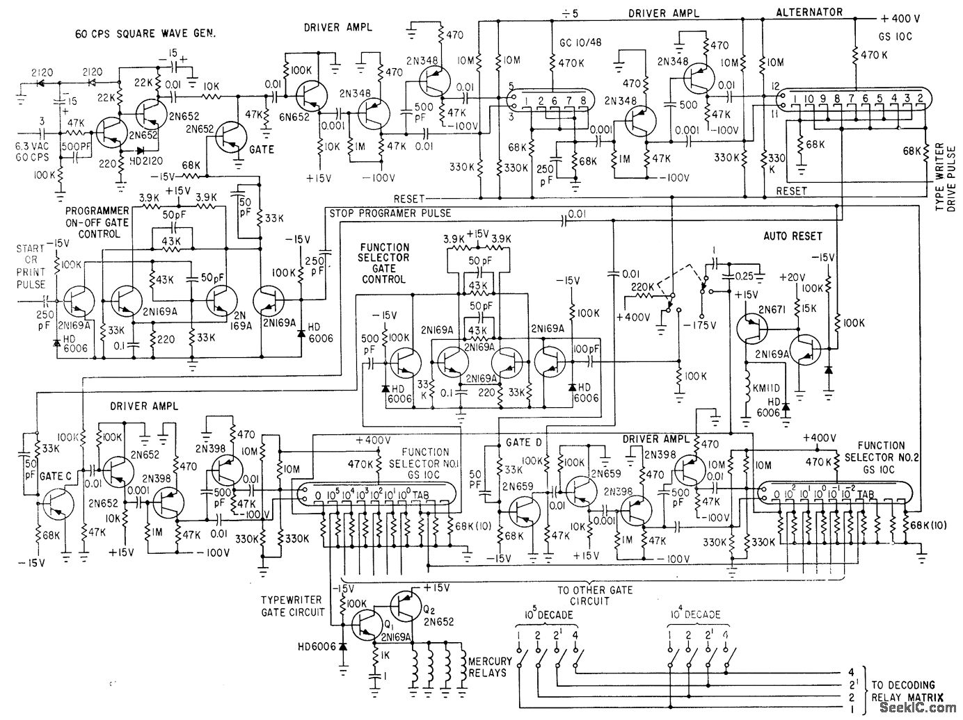
Neutron beam from reactor strikes sample, producing diffraction pattern. Multielement glow tubes control sequence of operation in which length of data accumulation time at each angle of diffraction is determined by counting neutrons in incident beam. This eliminates counting errors due to reactor level fluctuations. Circuit drives key solenoids of electric type-writer to give printout of results.-E. W. Johanson, Glow-Tube Programmer Controls Neutron Spectrometer Experiments, Electronics, 34:19, p 65-67.
Reprinted Url Of This Article:
http://www.seekic.com/circuit_diagram/Power_Supply_Circuit/NEUTRON_DIFFRACTOMETER.html
Print this Page | Comments | Reading(3)
Code: