Published:2009/6/29 22:59:00 Author:May | From:SeekIC

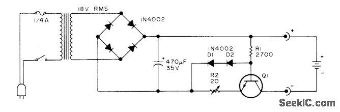
Regulated charger circuit will handle variable load from 1 to 18 nicad cells. Current-limiting action holds charging current within 1 to 2 mA of optimum value (about one-tenth of rated ampere-hour capacity) from 0 to 24 V. Q1 should have power rating equal to twice supply voltage mu ltiplied by current-limit value, lf charging 450-mAh penlight cells, charge current is 45 mA and transistor should be 2W.-A. G. Evans, Regulated Nicad Charger, 73 Magazine, June 1977, p 117.
Reprinted Url Of This Article:
http://www.seekic.com/circuit_diagram/Power_Supply_Circuit/NICAD_CHARGER_3.html
Print this Page | Comments | Reading(3)
Code: