Published:2009/7/17 1:45:00 Author:Jessie | From:SeekIC

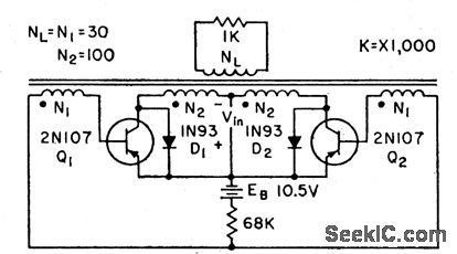
Is analogous to free-running capacitor-coupled mvbr. Frequency and output amplitude are both directly proportional to input voltage. Chief drawback is need to increase input voltage to get higher frequency, which in turn increases all winding voltages.-J. Markus, Handbook of Electronic Control Circuits, McGraw-Hill, N.Y., 1959, p 102.
Reprinted Url Of This Article:
http://www.seekic.com/circuit_diagram/Power_Supply_Circuit/NONDIFFERENTIAL_MAGNETIC_INVERTER.html
Print this Page | Comments | Reading(3)
Code: