Published:2013/12/10 1:35:00 Author: | Keyword: Ni-Cd battery charger circuit diagram of timing, | From:SeekIC

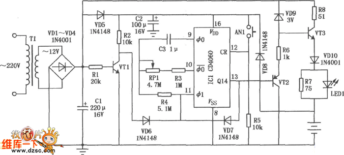
The circuit is a timed charger, charging time can be within 5 to 25 hours to adjust the charging process, such as a power outage, the circuit has accumulated timing function. This circuit can be on the 5th nickel-cadmium batteries.
Reprinted Url Of This Article:
http://www.seekic.com/circuit_diagram/Power_Supply_Circuit/Ni_Cd_battery_charger_circuit_diagram_of_timing.html
Print this Page | Comments | Reading(3)
Code: