Published:2011/11/13 20:34:00 Author:May | Keyword: Nokia, mobile phone, travel charger | From:SeekIC

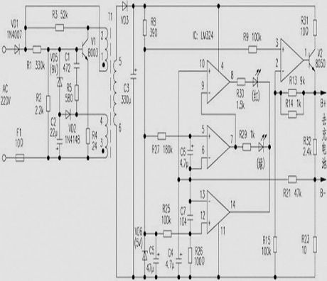
Nokia 8210 mobile phone travel charger is produced in shanghai, Its crust has label: input AC220V/50Hz (≤30mA), output 4.2V (≤200mA). When it is used in charging, when itneed thecharging Li battery with label 3.6V chaging at 3.98V, the red lamp in the charger circuit is gone out, the green lamp is lit. The whole charging time is about four hours. The author dissects this charger, and draws the circuit diagram. It is referenced by readers when they use or preserve it. Operational amplifier IC in the circuit is used as compartor.
Reprinted Url Of This Article:
http://www.seekic.com/circuit_diagram/Power_Supply_Circuit/Nokia_8210_mobile_phone_travel_charger_circuit.html
Print this Page | Comments | Reading(3)
Code: