Published:2011/6/23 1:29:00 Author:TaoXi | Keyword: Nokia, mobile phone, travel charger | From:SeekIC

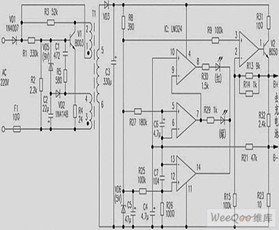
The Nokia 8210 mobile phone travel charger circuit is produced in ShangHai, the shell is labeled with: Input AC220V/50Hz(<=30mA), output 4.2V(<=200mA). In the use of charging, for the lithium battery which needs to be charged, when the voltage of the lithium battery is charged to 3.98V, the red light of the charger circuit turns off, the green light turns on. The charging time is about four hours. The author analyzes the charger and draws the circuit for reader's use and reference, the op-amp IC in this circuit is used as the comparator.
Reprinted Url Of This Article:
http://www.seekic.com/circuit_diagram/Power_Supply_Circuit/Nokia_mobile_phone_travel_charger_circuit.html
Print this Page | Comments | Reading(3)
Code: