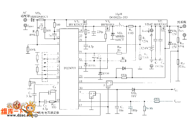
Published:2011/6/30 19:36:00 Author:TaoXi | Keyword: Notebook computer, battery, charging circuit | From:SeekIC

Reprinted Url Of This Article:
http://www.seekic.com/circuit_diagram/Power_Supply_Circuit/Notebook_computer_battery_charging_circuit_composed_of_the_BQ24700.html
Print this Page | Comments | Reading(3)
Code: