Published:2009/7/6 22:41:00 Author:May | From:SeekIC

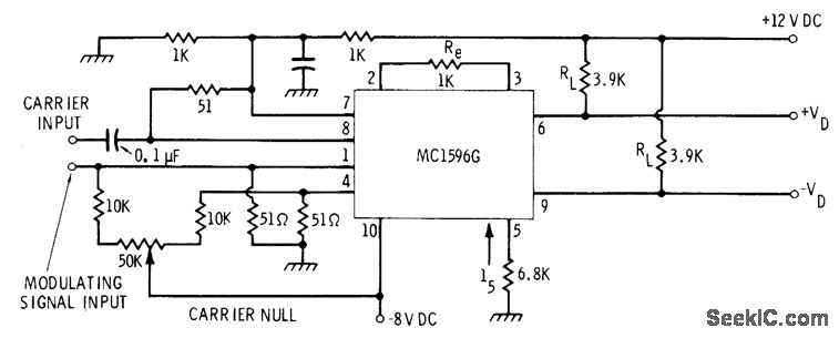
Motorola MC1596G double-balanced modulator has carrier input between pins 8 and 7 and modulation between pins 1 and 4. Balancing carrier-null circuit, also connected between pins 1 and 4, contributes to excellent carrier rejection at output. For unbalanced output, ground one of push-pull output terminals. Requires two supplies.-E. M. Noll, Linear IC Principles, Experiments, and Projects, Howard W. Sams, Indianapolis, IN, 1974, p 138-139.
Reprinted Url Of This Article:
http://www.seekic.com/circuit_diagram/Power_Supply_Circuit/OUBLE_SIDEBAND_SUPPRESSED_CARRIER.html
Print this Page | Comments | Reading(3)
Code: