Published:2009/7/17 4:14:00 Author:Jessie | From:SeekIC

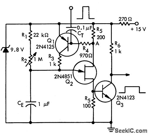
One-shot multivibrator using a UJT (courtesy Motorola Semiconductor Products Inc.).
Reprinted Url Of This Article:
http://www.seekic.com/circuit_diagram/Power_Supply_Circuit/One_shot_multivibrator_using_a_UJT_1.html
Print this Page | Comments | Reading(3)
Code: