Published:2009/7/24 1:57:00 Author:Jessie | From:SeekIC

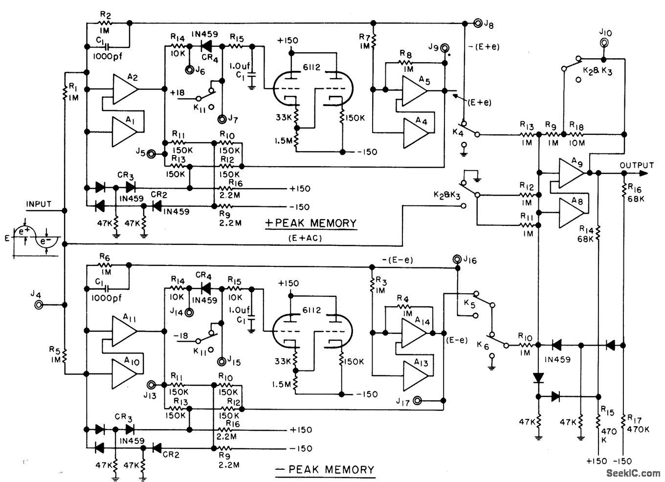
When properly balanced, will measure voltages in range from 0 to 10 cps with average error of 0.5%. Used with conventional digital voltmeter. Stores low-frequency positive and negative peak-voltage excursions in memory capacitor whose linear charge characteristic is controlled by operational-amplifier limit circuit. Used for measuring low-frequency voltages in servo systems.-W. V. Weiss, Peak-Voltage Memory Measures Low. Frequency Voltages Accurately, EEE, 10:7, p 50-55.
Reprinted Url Of This Article:
http://www.seekic.com/circuit_diagram/Power_Supply_Circuit/PEAK_VOLTAGE_MEMORY.html
Print this Page | Comments | Reading(3)
Code: