Published:2011/6/30 4:31:00 Author:Joyce | Keyword: PHILIPS 170B4 , LCD Monitor , Switch , Power Supply | From:SeekIC

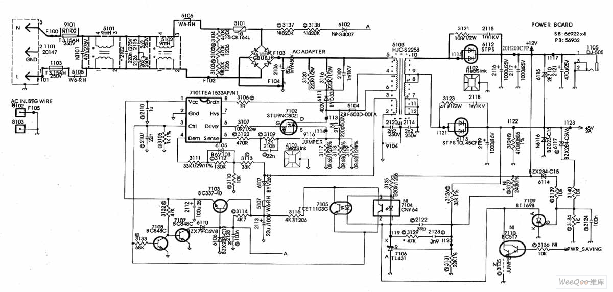
PHILIPS 170 B4 LCD monitor switching power supply takes 7101 (TEA1533) as its core component. The circuit is as shown in the figure.
Reprinted Url Of This Article:
http://www.seekic.com/circuit_diagram/Power_Supply_Circuit/PHILIPS_170B4_LCD_Monitor_Switch_Power_Supply_Circuit.html
Print this Page | Comments | Reading(3)
Code: