Published:2009/6/25 1:46:00 Author:May | From:SeekIC

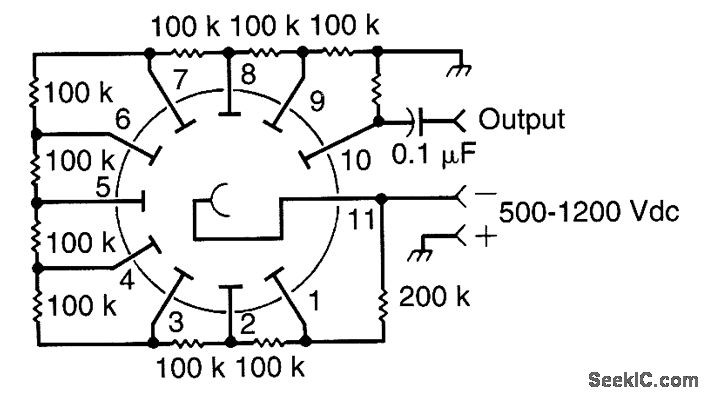
This circuit is typical of the way that a photomultiplier tube is used. The circuit shown is ac coupled,but if dc coupling is needed,the capacitor can be omitted and a suitable interfacing method used,A typical tube is the widely available 931/931A.
Reprinted Url Of This Article:
http://www.seekic.com/circuit_diagram/Power_Supply_Circuit/PHOTOMULTIPLIER_CIRCUIT.html
Print this Page | Comments | Reading(3)
Code: