Published:2009/7/16 21:38:00 Author:Jessie | From:SeekIC

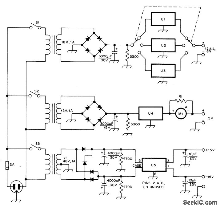
Provides most common fixed voltages required for transistor and IC projects. Eliminates cost and nuisance of replacing batteries. Provides t15 V at 100mA, +5 V at 1 A, and choice of +6.0, +8.2, and +12.0 V at 1 A. Separate grounds (not chassis grounds) permit connecting supplies in series to get combination voltages. Rectifier diodes are 100 PIY at 1 A. Use meter and shunt to give full scale at 1 A; for 150-mA meter, use 0.08 ohm for R1 (six 0.5-ohm resistors in parallel). U1 is LM340K-12, U2 is LM340K-8, U3 is LM340K-6, U4 is LM340K-5, and U5 is 4195.-C.J. Appel, A Combination Fixed-Voltage Supply, QST, Nov. 1977, p 36-37.
Reprinted Url Of This Article:
http://www.seekic.com/circuit_diagram/Power_Supply_Circuit/POPULAR_VOLTAGES_SUPPLY.html
Print this Page | Comments | Reading(3)
Code: