Published:2009/7/16 22:21:00 Author:Jessie | From:SeekIC

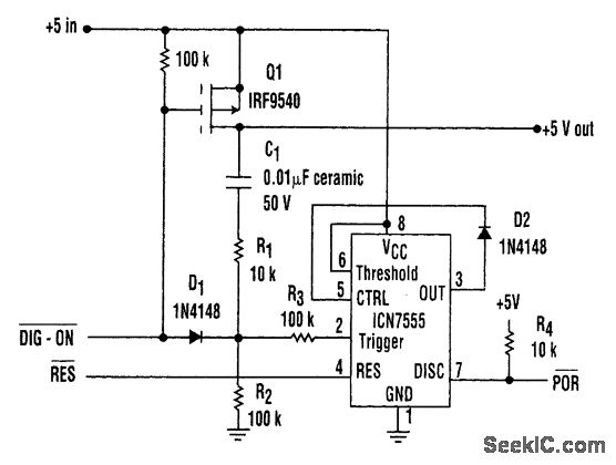
A power-management control device for high-power interfaces in battery-operated equipment can incorporate a power-on-reset (POR) function. The power control is provided by a P-channel MOSFET in a conventional switching configuration. The POR function is supplied by the DISCHARGE pin of a CMOS version of a 555 timer. The circuit holds the POR line low while power to the device interface is off. However, when the interface device is turned on, its power rises immediately, and a delay to release the P0R line is initiated. The threshold voltage on the 555 trigger comparator is about 1.7V. If the component values for R1, R2, and C1 are applied, the capacitor voltage decays to the threshold value in about 1.6 ms. When the capacitor voltage decays below the threshold value, the POR line is released. Diode D2 provides threshold hysteresis and raises the POR threshold voltage to approximately 2.5 V at the output-stale transition.
Reprinted Url Of This Article:
http://www.seekic.com/circuit_diagram/Power_Supply_Circuit/POWER_ON_CONTROL_WITH_POWER_ON_RESET.html
Print this Page | Comments | Reading(3)
Code: