Published:2009/7/16 20:56:00 Author:Jessie | From:SeekIC

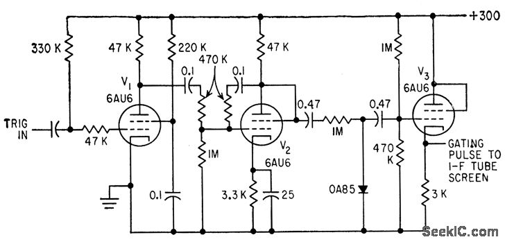
Used in backscatter receiver to produce gating pulse that can be applied to screen grid of final i-f stage to remove bright ground pulse (occurring because receiver is fed from transmitting antenna by way of transmit-receive switch)from ppi screen.-K. Perry, Reducing Interference in lonospheric Sounding, 33:22, Electronics, p 118-120.
Reprinted Url Of This Article:
http://www.seekic.com/circuit_diagram/Power_Supply_Circuit/PPI_GROUND_PULSE_BLANKER.html
Print this Page | Comments | Reading(3)
Code: