Published:2009/7/16 1:35:00 Author:Jessie | From:SeekIC

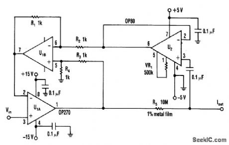
A current source that attains a resolution as low as 10 pA is useful in applications where a precise, low-value current is needed. When the circuit forces current into ground, the output remains within 2% of the ideal current over the ±100-nA range. Over the -4- to +3.5-V compliance range, the error that appears is less than 5%. This accuracy results from using an OP80 op amp from Precision Monolithics in the feedback loop. The OP80 has an IB of 200 mA typical.
For a given voltage (Vin), amp U1A generates an output voltage so that the current through R5 equals Vin divided by R5 (10 MΩ). This current causes a voltage drop across R5, which is sensed by the unity-gain differential amp (U1B and U2). That amp's output is connected to the inverting input of U1A, completing the feedback loop.
The noise in the circuit is of particular concern, especially that produced by resistor R5. The circuit is limited to low-frequency and dc applications as a result of its 400-n V/kHz noise. For applications that don't require the circuit's 10-pA output, lower values of R5 can be substituted. This will increase the bandwidth.
Reprinted Url Of This Article:
http://www.seekic.com/circuit_diagram/Power_Supply_Circuit/PRECISE_LOW_CURRENT_SOURCE.html
Print this Page | Comments | Reading(3)
Code: