Published:2009/7/20 5:21:00 Author:Jessie | From:SeekIC

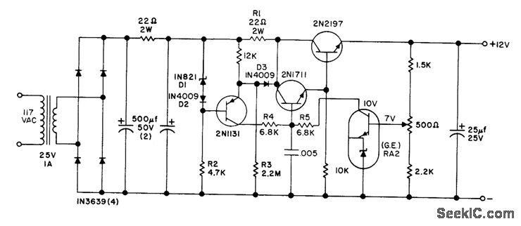
Regulation is less than 0.001% for 10% change in line voltage. Sharp current limiting at 300 ma is provided by R1 and D3. Darlington connection for series regulator gives current gain of 10,000 at 100 ma, so normal variation of reference amplifier collector current is only 10 microamp over full range of output current.- Iransistor Manual, Seventh Edition, General Electric Co., 1964, p 232.
Reprinted Url Of This Article:
http://www.seekic.com/circuit_diagram/Power_Supply_Circuit/PRECISION_12_V_200_MA_SUPPLY.html
Print this Page | Comments | Reading(3)
Code: