Published:2009/6/25 4:06:00 Author:May | From:SeekIC

Reprinted Url Of This Article:
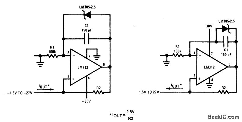
http://www.seekic.com/circuit_diagram/Power_Supply_Circuit/PRECISION_1_μA_to_1_mA_CURRENT_SOURCES.html
Print this Page | Comments | Reading(3)
Code: