Published:2009/7/20 4:55:00 Author:Jessie | From:SeekIC

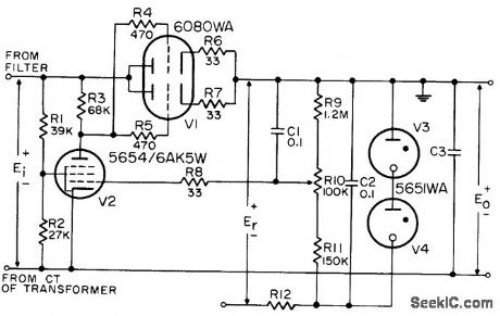
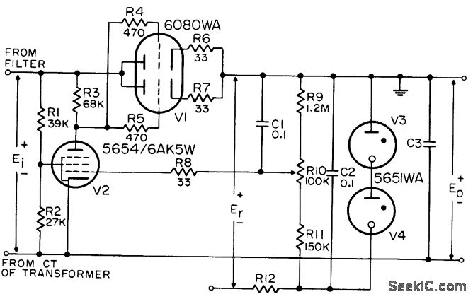
Provides 1% output voltage regulation under normal line and load variations of military equipment. Minimum value of C3 is 2 mfd. Value of R12 depends on reference voltage Er, which should be minimum of -300 v d-c. Two reference tubes, V3 and V4, are used in series so negative bias for V2 can be obtained with grounded reference supply. Minimum input voltage is 200 v d-c.-NBS, Handbook Preferred Circuits Navy Aeronautical Electronic Equipment, Vol. 1, Electron Tube Circuits, 1963, PC 2, p 2-2.
Reprinted Url Of This Article:
http://www.seekic.com/circuit_diagram/Power_Supply_Circuit/PREFERRED__150_V_D_C_REGULATOR.html
Print this Page | Comments | Reading(3)
Code: