Published:2009/7/15 22:48:00 Author:Jessie | From:SeekIC

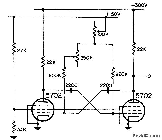
Provides frequency stability of 3% as repetition rate generator in airborne radar. Free-running connections are shown, but may also be triggered externally.-NBS, Handbook Preferred Circuits Navy Aeronautical Electronic Equipment, Vol.1, Electron Tube Circuits, 1963, p N5-1.
Reprinted Url Of This Article:
http://www.seekic.com/circuit_diagram/Power_Supply_Circuit/PRF_GENERATOR.html
Print this Page | Comments | Reading(3)
Code: