Published:2009/7/17 2:57:00 Author:Jessie | From:SeekIC

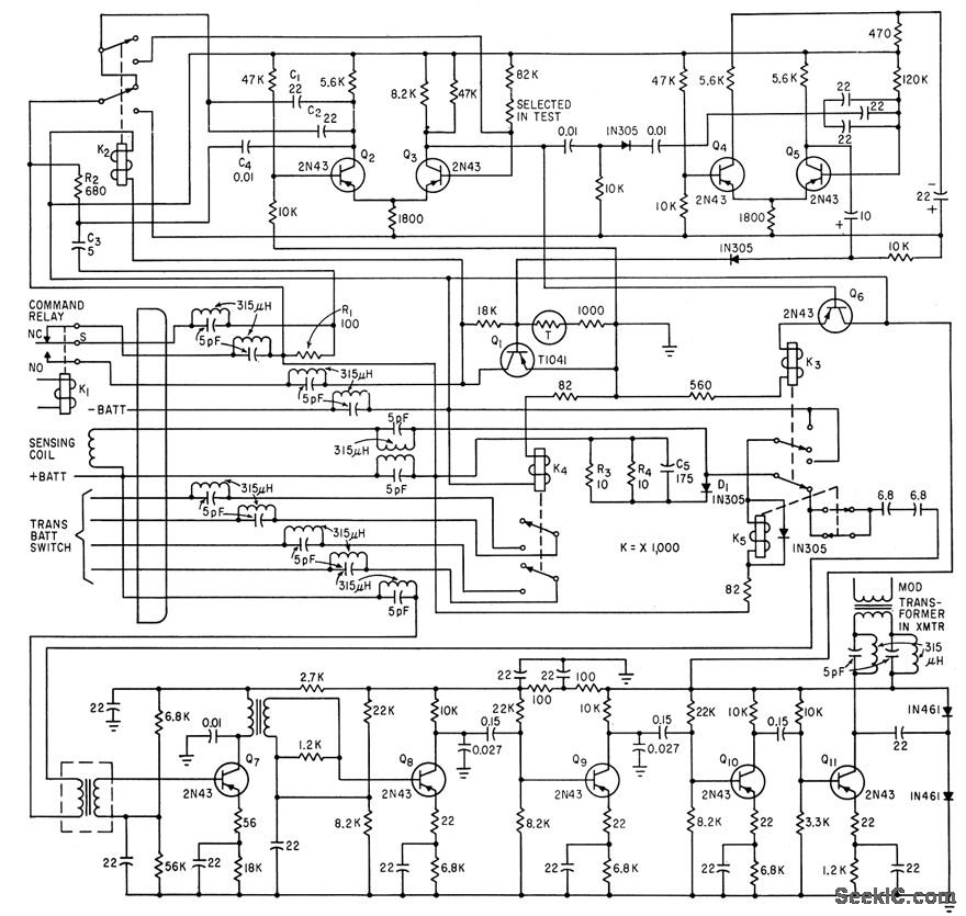
Used in Vanguard III satellite for magnetic field measurements at altitudes of 510 to 3,750 km.-D. Mansir, Magnetic Measurements in Space, Electronics, 33:32, p 47-51.
Reprinted Url Of This Article:
http://www.seekic.com/circuit_diagram/Power_Supply_Circuit/PROTON_PRECESSION_MAGNETOMETER.html
Print this Page | Comments | Reading(3)
Code: