Published:2011/9/4 19:48:00 Author:TaoXi | Keyword: Panasonic, power supply circuit | From:SeekIC

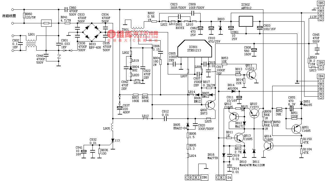
Oscilation circuit
The 300V DC voltage of the C847 adds to the C pole of the internal switching tube of the IC801's pin-3 through the primary windings P1 and P2 of the energy storage transformer, and it adds to the B pole of the internal switching tube of the IC802's pin-2 through the R803, so the switching tube conducts. The winding voltage of P1 and P2 is coupled to the F2 and F3 windings to produce the positive feedback voltage, this voltage adds to the pin-2 and pin-4 of the IC801 through the C806 and R804, so the switching tube saturates rapidly.
During the switch saturation period, the current flows out from the pin-4 of the IC801 and builds the 113V DC voltage on C808.
Reprinted Url Of This Article:
http://www.seekic.com/circuit_diagram/Power_Supply_Circuit/Panasonic_L15_power_supply_circuit.html
Print this Page | Comments | Reading(3)
Code: