Published:2011/7/1 2:21:00 Author:Joyce | Keyword: Part , Switching Power Supply | From:SeekIC

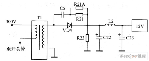
As shown in the figure, the 12 V voltage is not stable, therefore, the output part of the switching power supply should be examined first. Check whether the secondary winding of the switch transformer and VD4 function properly and make sure that inductance L2 has no cold solder joint. Parameters of filter capacitance C22 and C23 are 1000 pF / 16 V.If one uses the capacitance meter to measure C23, one will find that it works properly (capacity declines slightly), but the capacity of C22 drops to less than 80 uF. The reason is that the main source of the machine is installed at the base of the monitor, which is small and has low heat dissipation, while C23 and C22 both are close to the 12 V rectifier diode (especially C22), so their capacity would decline after baking, to lower the loading ability of the voltage, which further leads to this fault.
Reprinted Url Of This Article:
http://www.seekic.com/circuit_diagram/Power_Supply_Circuit/Part_of_Switching_Power_Supply_Circuit.html
Print this Page | Comments | Reading(3)
Code: