Published:2011/3/30 0:58:00 Author:Nicole | Keyword: Photoelectric tracking circuit, silicon photocell | From:SeekIC

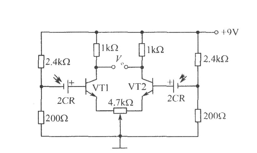
As shown in the figure, using two silicon photovoltaic cells with similar performance as light receiving device, when incident light flux is the same Vo = 0, agency works with predetermined manner. when the optical system has slight deviation, the received luminous flux of two silicon photovoltaic cells will change, then Vo ≠ 0, after amplified, the differential output signal can drive the implementing agencies (such as micro-motor) to orrect the system state, until Vo=0, so as to achieve tracking.
Reprinted Url Of This Article:
http://www.seekic.com/circuit_diagram/Power_Supply_Circuit/Photoelectric_tracking_circuit_composed_of_silicon_photocell.html
Print this Page | Comments | Reading(3)
Code: