Published:2013/12/15 20:29:00 Author:lynne | Keyword: Photovoltaic power supply circuit diagram, | From:SeekIC

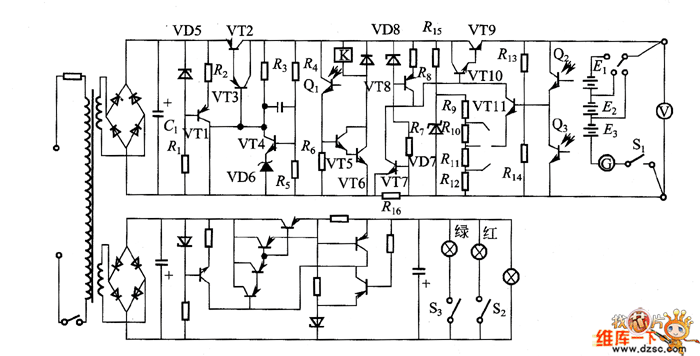
Photovoltaic power supply circuit diagram shown in Fig.:
Reprinted Url Of This Article:
http://www.seekic.com/circuit_diagram/Power_Supply_Circuit/Photovoltaic_power_supply_circuit_diagram.html
Print this Page | Comments | Reading(3)
Code: