Published:2011/3/21 1:26:00 Author: | Keyword: RLD network | From:SeekIC

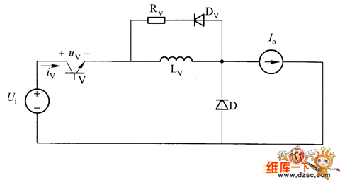
We can see from the table, relatively with parallel RCD network is series RLD network, this network is a polar opening absorption circuit. The components of RLD network are: Lv inductor and an Rv-Dv series branch parallel as shown.
absorber circuit
nonpolarity absorber circuit
heteropolarity absorber circuit
turn off absorb
Parallel Cv, du v/dt=Io/Cv
Parallel RCD(Rv, Dv Parallel, and serial with Cv)
open up absorb
serial Lv, di v/dt=Ui/Lv
serial RLD(Rv, Dv in serial, and Parallel with Lv)
The role of Rv-Dv series branch is in the process of shut off the switching tube, the electric energy stored in Lv can be released through the Rv-Dv series slip, avoided the switching tube was damaged due to the high voltage.
Reprinted Url Of This Article:
http://www.seekic.com/circuit_diagram/Power_Supply_Circuit/Polarized_absorption_circuit_RLD_network.html
Print this Page | Comments | Reading(3)
Code: