Published:2009/7/9 3:23:00 Author:May | From:SeekIC






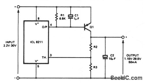
The IC8211 provides the voltage reference and regulator amplifier, while Q1 is the series pass transistor. R1 defines the output current of the IC8211, while C1 and C2 provide loop stability and also act to suppress feedthrough of input transients to the output supply. R2 and R3 determine the output voltage as follows:output supply. R2 and R3 determine the output voltage as follows:In addition, the values of R2 and R3 are chosen to provide a small amount of standing current in Q1, which gives additional stability margin to the circuit.Where accurate setting of the output voltage is required, either R2 or R3 can be made adjustable. If R2 is made adjustable, the output voltage will vary linearly with the shaft angle; however, if the potentiometer wiper was to open the circuit, the output voltage would rise. In general, therefore, it is better to make R3 adjustable, since this gives fail-safe operation.
Reprinted Url Of This Article:
http://www.seekic.com/circuit_diagram/Power_Supply_Circuit/Positive_Regulator_with_PNP_Boost.html
Print this Page | Comments | Reading(3)
Code: