Published:2011/7/17 7:36:00 Author:Fiona | Keyword: regulated power supply | From:SeekIC

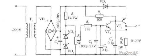
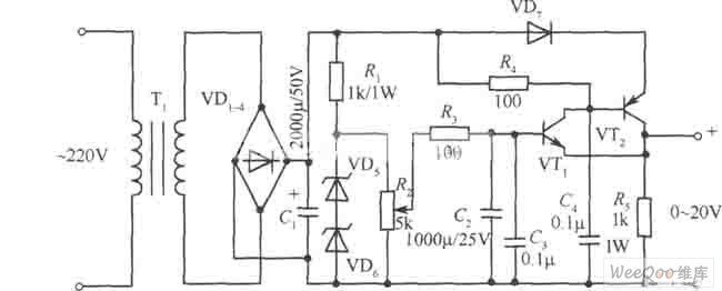
0~20v,1A regulated power supply circuit is shown as above:
Reprinted Url Of This Article:
http://www.seekic.com/circuit_diagram/Power_Supply_Circuit/Power-Supply_Circuits-Fixed/0~20v1A_regulated_power_supply_circuit.html
Print this Page | Comments | Reading(3)
Code: