Published:2011/10/20 22:34:00 Author:Rebekka | Keyword: regulator circuit | From:SeekIC

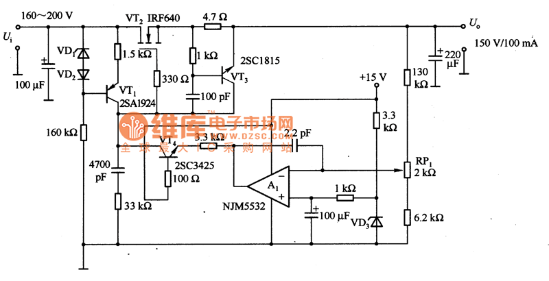
The figure shows the output 150V/100mA regulator circuit. VT3 is the over-current protection circuit, when the output is in short circuit, VT3 protection circuit starts to work. The current in VT2 is controlled at 12OmA. At this time, it adds all the input voltage to the VT2 input voltage drain - source, the production loss is about 2OW.
Reprinted Url Of This Article:
http://www.seekic.com/circuit_diagram/Power_Supply_Circuit/Power-Supply_Circuits-Fixed/Output_15OV_100mA_regulator_circuit_diagram.html
Print this Page | Comments | Reading(3)
Code: