Published:2012/10/25 2:43:00 Author:muriel | Keyword: Power Supply Unit | From:SeekIC

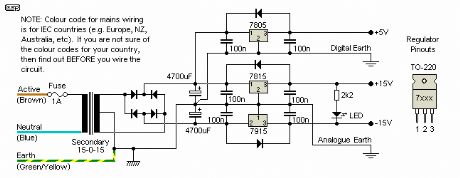
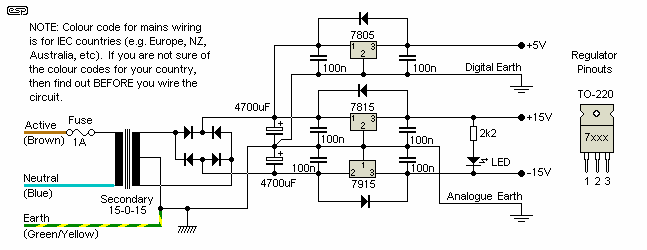
I suggest that a the power supply shown here be used instead of a modified version of the unit described in Project 05, as this will operate all the devices shown in Figure 3. The simple trick used in the previous project was quite suitable for audio only circuits, but with the addition of the digital circuitry we need more power and better regulation than can be obtained from the full-wave voltage doubler circuit used.
Reprinted Url Of This Article:
http://www.seekic.com/circuit_diagram/Power_Supply_Circuit/Power_Supply_Unit.html
Print this Page | Comments | Reading(3)
Code: