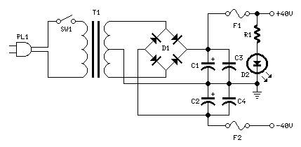
Published:2012/12/19 21:31:00 Author:muriel | Keyword: Power supply circuit diagram | From:SeekIC

Reprinted Url Of This Article:
http://www.seekic.com/circuit_diagram/Power_Supply_Circuit/Power_supply_circuit_diagram_3.html
Print this Page | Comments | Reading(3)
Code: