Published:2011/6/25 6:45:00 Author:TaoXi | Keyword: Precise, 60Hz, frequency, source circuit | From:SeekIC

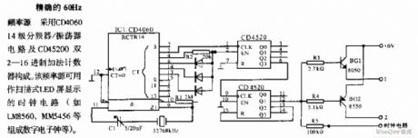
The precise 60Hz frequency source circuit: this circuit is composed of the CD4060 14-stage frequency divider/oscillator circuit and the CD45200 double binary to hexadecimal addition counter. This frequency source can be used in the scanning mode LED screen display clock circuit (such as the digital electric clock which is composed of the LM8560 and MM5456).
Reprinted Url Of This Article:
http://www.seekic.com/circuit_diagram/Power_Supply_Circuit/Precise_60Hz_frequency_source_circuit.html
Print this Page | Comments | Reading(3)
Code: