Published:2012/12/25 21:24:00 Author:muriel | Keyword: Precision, Metronome & Pitch, generator | From:SeekIC

Reprinted Url Of This Article:
http://www.seekic.com/circuit_diagram/Power_Supply_Circuit/Precision_Metronome__Pitch_generator.html
Print this Page | Comments | Reading(3)
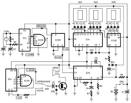
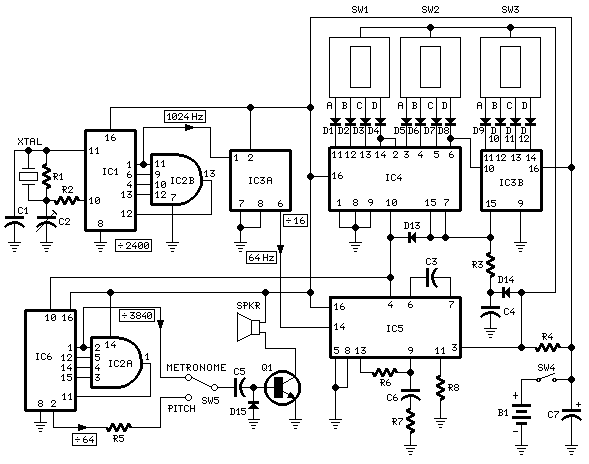
Code: