Published:2013/7/30 20:41:00 Author:muriel | Keyword: Precision Metronome, Pitch generator | From:SeekIC

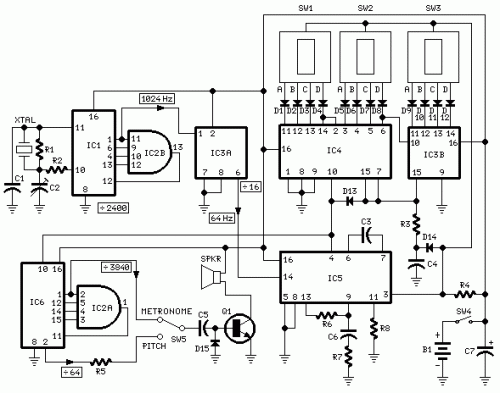
Parts:R1 1M 1/4W ResistorR2 22K 1/4W ResistorR3 6K8 1/4W ResistorR4 4K7 1/4W ResistorR5 47K 1/4W ResistorR6 100K 1/4W ResistorR7 39K 1/4W ResistorR8 12K 1/4W ResistorC1 47pF 63V Ceramic CapacitorC2 2-22pF 63V Ceramic TrimmerC3 470pF 63V Ceramic CapacitorC4 10pF 63V Ceramic CapacitorC5 100nF 63V Polyester CapacitorC6 220nF 63V Polyester CapacitorC7 22µF 25V Electrolytic CapacitorD1-D15 1N4148 75V 150mA DiodesIC1 4060 14 stage ripple counter and oscillator ICIC2 4082 Dual 4 input AND gate ICIC3 4520 Dual binary up-counter ICIC4 4518 Dual BCD up-counter ICIC5 4046 Micropower Phase-locked Loop ICIC6 4040 12 stage ripple counter ICQ1 BC337 45V 800mA NPN TransistorXTAL 2.4576 MHz Miniature Quartz crystalSW1 BCD Miniature Thumbswheel Switch (units)SW2 BCD Miniature Thumbswheel Switch (tens)SW3 BCD Miniature Thumbswheel Switch (hundreds)SW4 SPST Slider Switch (On-off)SW5 SPDT Slider Switch (Metronome-Pitch)SPKR 8 Ohm, 50 mm. LoudspeakerB1 9V PP3 BatteryClip for 9V PP3 Battery
Circuit operation:CMos IC1 and IC2B quad AND gate form a 2.4576 MHz crystal oscillator plus a 2400 times divider. IC3A provides further division by 16, obtaining a 64 Hz stable frequency square wave. This frequency is multiplied by operation of Phase Locked Loop IC5, double decade divider IC4 and IC3B 4 bit binary divider, by the number set by three miniature BCD thumbswheel switches SW1, SW2 and SW3: units, tens and hundreds respectively.Connecting, by means of SW5, Q1 base to pin 2 of IC6, we obtain after a 64 times division, the same frequency set by thumbswheel switches with quartz precision, and no need for a scale indicator.Volume regulation of the pitch generator is obtained trimming resistor R5. In the same manner, with SW5 set to metronome, the small speaker reproduces the frequency set by thumbswheel switches but divided by 3840, thus obtaining beats per minute ratio
Reprinted Url Of This Article:
http://www.seekic.com/circuit_diagram/Power_Supply_Circuit/Precision_Metronome_and_Pitch_generator.html
Print this Page | Comments | Reading(3)
Code: