Published:2009/7/19 21:38:00 Author:Jessie | From:SeekIC





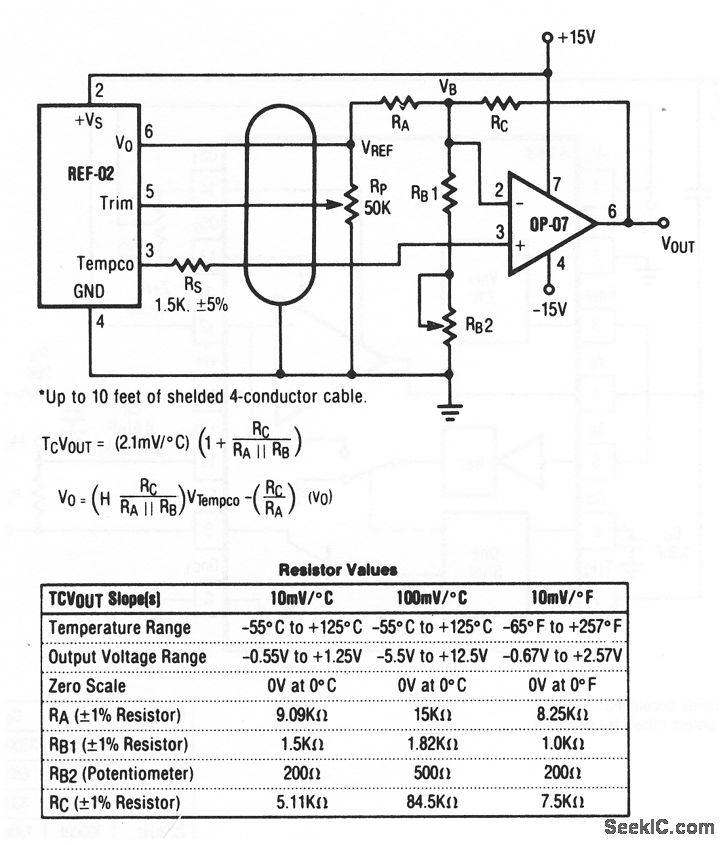
This circuit shows how a voltage reference can be combined with an op amp to create an electronic thermometer (with±5% accuracy). To calibrate, measure the voltage at pin 3 of REF-02, and the ambient room temperature (TA in℃). Then find X as follows:
selected from table in Fig. 12-8. Then, turn off the power, short pin 6 (VO) of REF-02 to ground, apply exactly 100.00 mV to the op-amp output (pin 6 of OP-07), and adjust RB2 so that VB= X. Now, remove the short and the 100-mV source, reapply circuit power, and adjust RP so that the op-amp output voltage equals (TA) (,S). The system is now calibrated. For remote sensor applications, a 1.5-kΩ resistor (RS) must be connected in series with pin 6 of REF-02. This isolates REF-02 from cable capacitances. Use low temperature coefficient metal-film resistors for RA, RB, and RC Raytheon Linear integrated Circuits, 1989 p. 8-16
Reprinted Url Of This Article:
http://www.seekic.com/circuit_diagram/Power_Supply_Circuit/Precision_electronic_thermometer.html
Print this Page | Comments | Reading(3)
Code: