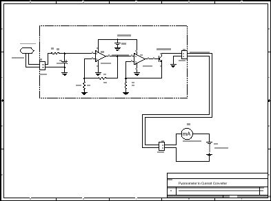
Published:2013/1/31 19:56:00 Author:muriel | Keyword: Pyranometer to Current Converter | From:SeekIC

Reprinted Url Of This Article:
http://www.seekic.com/circuit_diagram/Power_Supply_Circuit/Pyranometer_to_Current_Converter.html
Print this Page | Comments | Reading(3)
Code: