Published:2009/7/2 3:10:00 Author:May | From:SeekIC



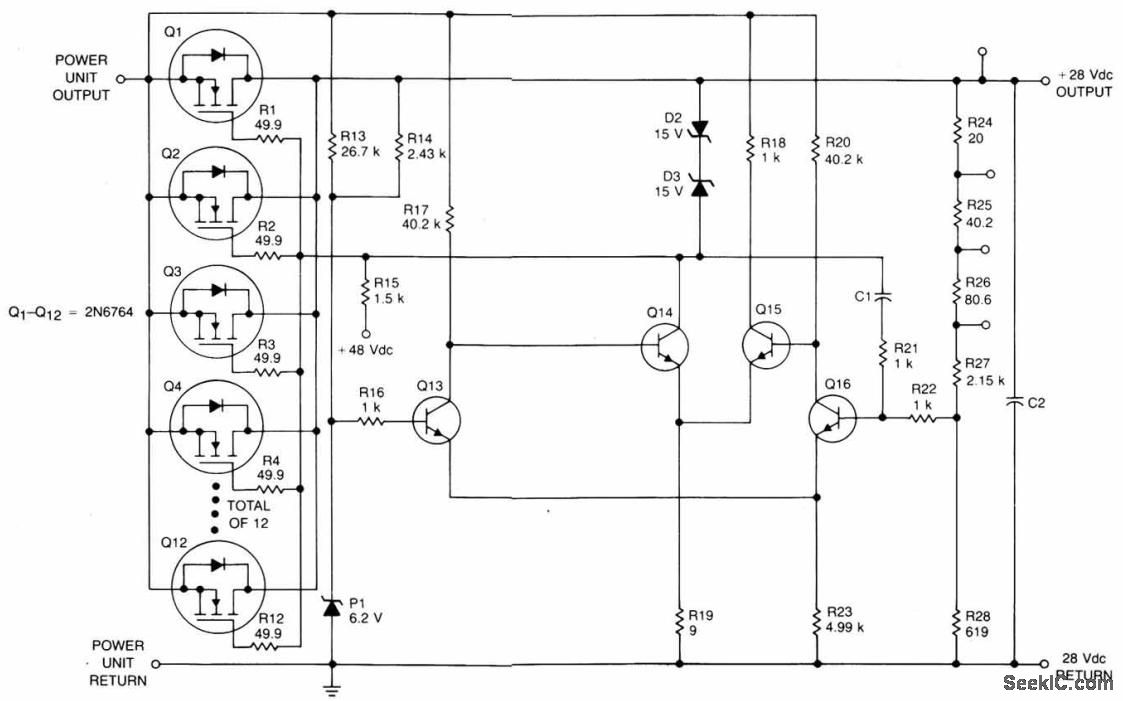
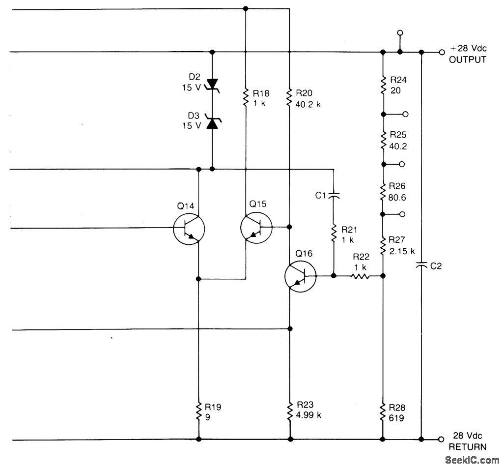
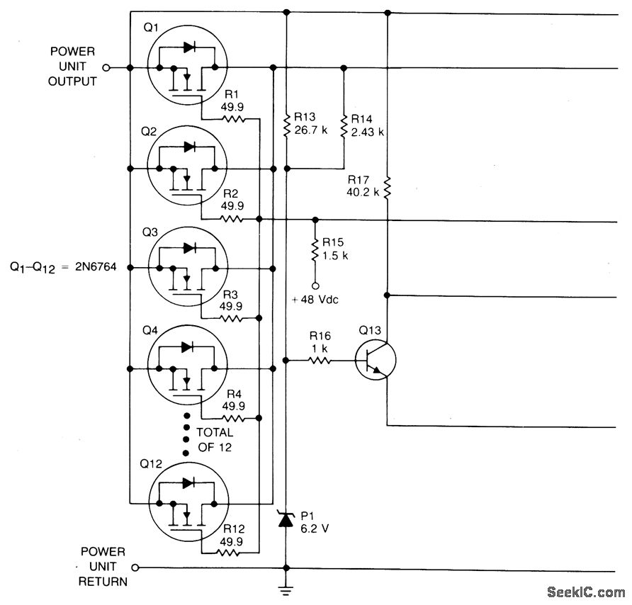
Circuit NotesIntended for extreme temperature, radiation-hardened environments, this linear supply is capable of supplying 28 Vdc at 125 A from an acdriven power unit.In operation, power supply output voltage is sensed by the voltage divider consisting of R24 to R28 and fed to one input of a discrete differential amplifier composed of Q13 through Q16. The other input of the amplifier is connected to a radiation-hardened zener diode, D1. Local feedback using R21 and C1 produces gain to phase shift that are independent of individual component parameters, which provides stable operation into the required loads.
Reprinted Url Of This Article:
http://www.seekic.com/circuit_diagram/Power_Supply_Circuit/RADIATION_HARDENED,125_A_LINEAR_REGULATOR.html
Print this Page | Comments | Reading(3)
Code: