Published:2009/7/15 23:16:00 Author:Jessie | From:SeekIC

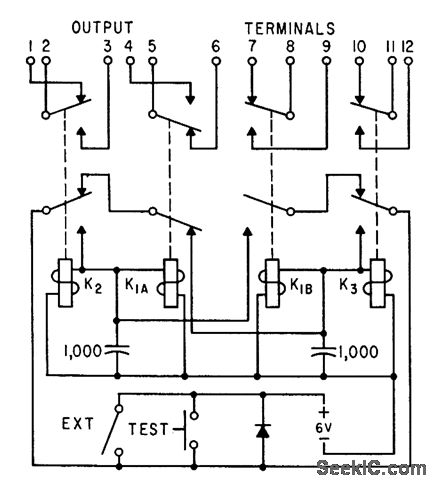
Consumes power only during switching. Can provide bistable, monostable, or astable operation at frequencies from a few operations per second to a few operations per hour.-R. L. Ives, Multivibrator for Low Frequencies Uses Relays, Electronics, 34:32, p 166-169.
Reprinted Url Of This Article:
http://www.seekic.com/circuit_diagram/Power_Supply_Circuit/RELAY_ONLY_MVBR.html
Print this Page | Comments | Reading(3)
Code: