Published:2009/7/24 3:25:00 Author:Jessie | From:SeekIC


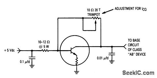
The BT500 shown in this circuit is designed for use in class-AB amplifiers to provide a thermally tracked bias source. The electrical characteristics are given in Fig. 2-44B.
Reprinted Url Of This Article:
http://www.seekic.com/circuit_diagram/Power_Supply_Circuit/RF_bias_source.html
Print this Page | Comments | Reading(3)
Code: