Published:2009/7/19 20:07:00 Author:Jessie | From:SeekIC

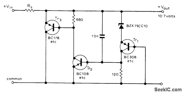
Shunt regulator re-moves virtually all AC line ripple without using large capacitor, making it ideal for audio applications where freedom from ripple is more important than precise supply voltage level. Circuit cannot be damaged by short-circuits. Tr3 may be power transistor or Darlington.-P. S. Bright, Ripple Eliminator, Wireless World, April 1977, p 62.
Reprinted Url Of This Article:
http://www.seekic.com/circuit_diagram/Power_Supply_Circuit/RIPPLE_PREAMP_SUPPLY.html
Print this Page | Comments | Reading(3)
Code: